When it comes to industrial valves, the Hale Valve stands out as a symbol of precision, durability, and innovation. Designed and manufactured by Hebei Honest Industrial Group Co., Ltd., the Hale Valve is engineered to meet the rigorous demands of modern industrial applications. This article provides an in-depth exploration of the product's features, technical specifications, and the company's commitment to quality, all while aligning with industry standards such as ASME B 1.20.3, API 598, and EN12266.

Hebei Honest Industrial Group Co., Ltd. is a leading manufacturer and supplier of industrial valves, known for its commitment to quality, innovation, and customer satisfaction. With a focus on delivering reliable solutions for diverse industries, the company has established itself as a trusted name in the global market. The Hale Valve is a testament to the company's dedication to excellence, combining advanced engineering with rigorous testing to ensure optimal performance.
The Hale Valve is a versatile industrial valve designed for applications requiring precise flow control and high durability. Available in sizes ranging from 2" to 6", the valve is suitable for a wide range of industries, including oil and gas, chemical processing, and water treatment. Its robust construction and compliance with international standards make it a preferred choice for engineers and operators seeking reliable solutions.
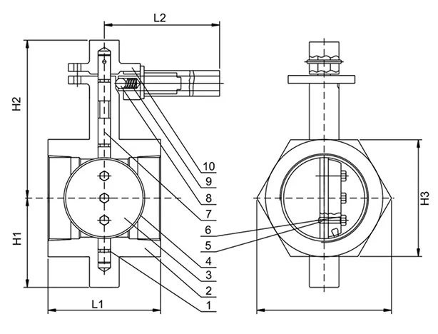
The Hale Valve is available in multiple sizes, each with specific dimensions and material compositions. Below is a detailed breakdown of its technical specifications:
|
Component |
Material |
|
Shaft "O" ring |
NBR/EPDM |
|
Body |
D.I. + Nickel plated |
|
Disc |
Bronze |
|
Disc "O" ring |
NBR/EPDM/Viton |
|
Disc bolt |
Stainless steel |
|
"O" ring |
NBR/EPDM/Viton |
|
Shaft |
Stainless steel |
|
Lever ball |
Ball bearing steel |
|
Lever spring |
Stainless steel |
|
Lever |
Ductile iron |
|
DN |
HI |
H2 |
H3 |
LI |
L2 |
L3 |
|
50 |
57.2 |
120.7 |
76.2 |
108 |
203.2 |
88 |
|
80 |
69.9 |
154 |
103.2 |
123.8 |
203.2 |
119 |
|
100 |
93.7 |
161.9 |
134.9 |
130.2 |
203.2 |
155.8 |
|
150 |
120.7 |
238.1 |
196.9 |
177.8 |
330.2 |
277.4 |
The Hale Valve is designed to excel in a variety of industrial applications. Its versatility makes it an ideal choice for:
The Hale Valve undergoes rigorous testing and inspection to meet the highest standards of quality. Compliance with API 598 and EN12266 ensures that the valve meets international benchmarks for performance and safety. Additionally, the valve's design adheres to ASME B 1.20.3 for end connections, guaranteeing compatibility with a wide range of systems.
Choosing the Hale Valve means opting for a product that combines advanced engineering with proven reliability. Key reasons to choose this valve include:
The Hale Valve represents the pinnacle of industrial valve technology, offering a blend of precision, durability, and compliance with global standards. As a product of Hebei Honest Industrial Group Co., Ltd., it reflects the company's commitment to innovation and quality. Whether used in pressure relief, ball valve, or intake valve applications, the Hale Valve is a reliable solution for modern industrial challenges.