Navigating the complex world of industrial valves can be daunting, especially when seeking a solution that offers both efficiency and reliability. The double eccentric flange butterfly valve stands out in this sphere, providing robust and dependable service in various applications. As companies strive to optimize their fluid handling systems, understanding the nuances of this valve type can lead to enhanced operational success.

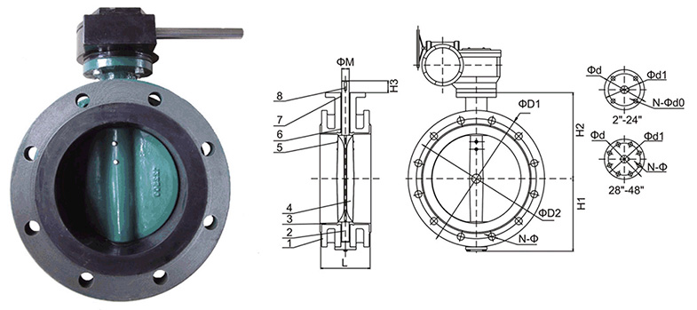
The double eccentric flange butterfly valve is engineered for precision and durability. Featuring an innovative design, the valve's double offset architecture is key to its superior functionality. The first offset is found in the positioning of the shaft behind the sealing plane,
minimizing wear and extending the valve's life. The second offset occurs in the shaft being positioned towards one side of the valve centerline, further enhancing sealing efficiency. This dual offset configuration allows the valve disc to swing out of the seal quickly, reducing contact during operation and thus diminishing wear and tear.
In applications where linear flow and reduced pressure drops are crucial, the double eccentric flange butterfly valve delivers exceptional performance. Its unique construction not only ensures tight sealing with minimal torque but also accommodates high-pressure environments and high-temperature fluctuations. These attributes make it particularly suitable for industries such as petrochemicals, water treatment, and power generation, where the integrity of the flow control system is paramount.

From a professional standpoint, selecting a double eccentric flange butterfly valve involves considering material compatibility with the medium being processed. Stainless steel, ductile iron, and various alloys are commonly used to manufacture these valves, each offering distinct advantages depending on environmental demands. For instance, stainless steel boasts excellent resistance to corrosion, making it ideal for harsh, chemically aggressive settings.
double eccentric flange butterfly valve
Moreover, the ease of installation and maintenance of the double eccentric flange butterfly valve significantly contributes to its popularity among engineers and maintenance professionals. The straightforward design allows for quick installation and minimal downtime during servicing, which conveys cost-effectiveness over the valve's operational lifespan. This efficiency is further bolstered by the valve's capability to self-clean, reducing clogging and facilitating smoother operations.
Establishing trust in such a critical component hinges on the expertise and authority of the manufacturer. Leading suppliers invest in rigorous quality control measures, ensuring each valve meets stringent industry standards before reaching the market. Certifications such as ISO 9001 and API conformances are vital hallmarks of a reputable valve provider, assuring end-users of the valve's performance reliability and safety.
In conclusion, the double eccentric flange butterfly valve is more than just a component in a piping system; it is a strategic choice for optimizing flow control while minimizing maintenance and enhancing system integrity. By understanding its benefits and evaluating its suitability for specific applications, engineers and operators can make informed decisions that contribute to efficient plant operations. A commitment to quality and informed choice ensures that these valves continue to be a crucial element in advancing industrial fluid dynamics.