Resilient Seat Gate Valve En Djupdykning i Teknik och Tillämpningar
Resilient seat gate valves, eller resilienta sätesportventiler, har blivit en oumbärlig del inom flera industrier, såsom vattenförsörjning, avloppssystem och industriella applikationer. Denna artikeln syftar till att ge en djupgående analys av dessa ventiler, deras konstruktion och fördelar.
Vad är en Resilient Seat Gate Valve?
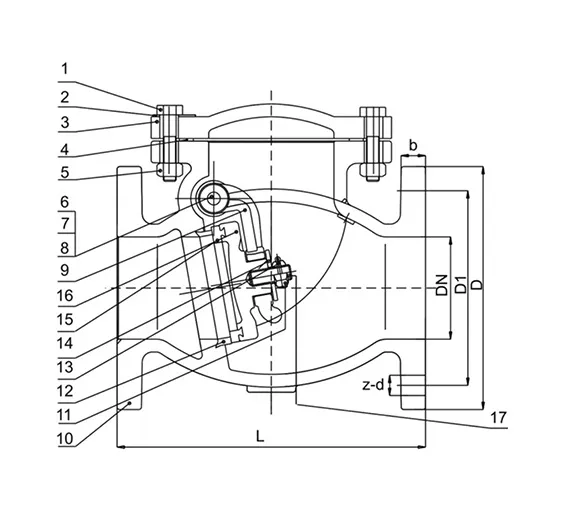
En resilient seat gate valve är en typ av avstängningsventil som används för att styra flödet av vätskor, ofta i tuberingssystem. Den är konstruerad med en platta som används för att öppna eller stänga flödet. I motsats till traditionella metalldörrar, har dessa ventiler en elastisk tätning, vilket förbättrar deras förmåga att motstå läckage.
Konstruktion och Material
Konstruktionen av en resilient seat gate valve är avgörande för dess funktionalitet och hållbarhet. Vanligtvis tillverkas kropp och dörr av gjutjärn, medan den resilienta tätningen oftast består av EPDM eller NBR, elastomerer som är kända för sin motståndskraft mot kemikalier och UV-strålning. Detta gör ventilen idealisk för både inomhus- och utomhusbruk.
Fördelar med Resilient Seat Gate Valves
1. Lägre Läcksannolikhet Den resilienta tätningen säkerställer att ventilen är hermetiskt stängd, vilket minimerar risken för läckage och sparar resurser.
2. Lättare Installation Dessa ventiler är ofta lättare än traditionella metalldörrar, vilket förenklar installationen och underhållet.

4. Kostnadseffektivitet Med färre rörliga delar och anpassad teknik blir drift- och underhållskostnaderna ofta lägre.
5. Användningsområden Användning av resilient seat gate valves sträcker sig över flera sektorer, inklusive livsmedels- och dryckesbranschen, avloppshantering och till och med inom bygg- och anläggningssektorn.
Tillämpningar
Resilient seat gate valves används i en mängd olika tillämpningar. Inom vattenförsörjning och avlopp är de kritiska för att säkerställa att flödet kan kontrolleras effektivt. Inom industrin används de för att hantera en rad vätskor, från kemikalier till lösningar med hög viskositet.
Underhåll och Inspektion
Trots deras hållbarhet och låga läcksannolikhet kräver resilient seat gate valves regelbundet underhåll. Det är viktigt att inspektera ventilerna för tecken på slitage, särskilt på den resilienta tätningen. Om förslitning upptäckts, kan det vara nödvändigt att byta ut ventilen innan den orsakar driftstopp.
Framtiden för Resilient Seat Gate Valves
Med den ständiga utvecklingen inom materialteknologi och design, förväntas resilient seat gate valves att bli ännu mer effektiva och hållbara. Innovativa lösningar, såsom integrerade sensorer för läckageövervakning, kan ytterligare förbättra deras funktionalitet i framtida applikationer.
Avslutande Tankar
Sammanfattningsvis är resilient seat gate valves en avgörande del av moderna vätskesystem. Deras unika konstruktion, kombinerat med fördelarna av lägre läckage och lång livslängd, gör dem till ett förstahandsval för många ingenjörer och industriella användare. Med en ökande efterfrågan på effektiva och hållbara lösningar, kommer dessa ventiler sannolikt att spela en central roll i framtida infrastrukturella projekt och industritillämpningar.